新闻中心
USMC A6 Prosthetic Knee
2021-11-19 浏览:
颜值V.S.实力
USMC A6 膝关节
功能、舒适与美观三位一体

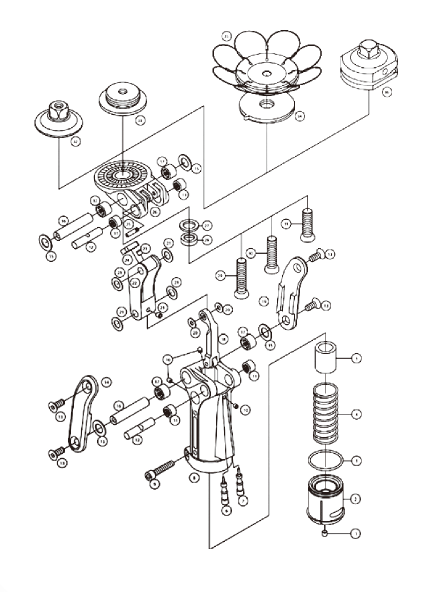
USMC A6 膝关节是多轴多中心且带有一个稳定的铝框架结构的膝关节。它们适用于具有中等活动能力、体重范围为125kg的使用者(灵活性等级为2,3)。该膝关节具有重量轻和结构细窄的特点。膝关节转动轴可调式前置设计,近似人体大腿股四头肌功能,使膝关节的摆动与弯曲贴近于人体膝关节功能,使步态自然!安全!

·人体支撑期重力线相对于膝关节转动轴可调式前置设计,近似人体大腿股四头肌功能,使膝关节的摆动与弯曲贴近人体膝关节功能,使步态自然!行走轻松!使用安全!
·伸展/屈曲双调节气压系统,可根据使用者的步行需要,改变步速,步行时自然平滑。
·独特全密封滚针轴承膝关节制造,区别于目前市场上的滚珠轴承或轴套式常规设计,提高了产品的使用寿命。
·航空轻质材质,产品相对轻盈。
·膝关节连接体薄,设计适应范围广。
·多轴设计提高稳定性与安全性。
·承载重量可达125KG。
·屈曲角度约145度。
·适合活动量中等使用者选配。
·夹管螺丝,与腿管连接牢固。


零部件间的组装主要以螺丝或螺帽的配合来组装,只须将相配合的零部件组装,再将螺丝或螺帽锁紧固定即可完成组装。根据患者行动力的不同,调整气压膝关节瞬时转动调节螺丝,以增加或减少关节的灵敏度;调整膝关节气压体上的调节阀,以增加或减少关节弯曲或伸张时的速度。

上一篇:USMC A5 Prosthetic Knee 下一篇:USMC X4膝关节
DISA GLOBAL WEBSITE 

